如何制作音箱教程(如何自制一个小音响)
如何制作音箱教程(如何自制一个小音响)
哈喽,大家好,好久不见了。
今天继续来学习电子知识,经过前面的学习我们已经掌握了一些基本元件的知识,但只是有理论上的东西,自己没有制造那么一两件东西,大家是不是感觉好没有成就感?作者今天就和大伙一起做一个小音响
好了,废话不多说,先看一下小音响

电脑小音响
这是一个常用的电脑小音响,音质稀烂,是作者买电脑的时候叫店主送的(PS:送的还想音质好,这作者该打)
而我们现在就要动手为它做一个全新的电路,原本的电路使用的是两个MIX8002作为左右声道的音频放大,用料节省,音质较差

原本的电路板,MIX8002
对于设计电路,我们最需要关心的是它需要实现什么功能,我们是要做一个电脑小音响。那么,我们要做的就是把电脑的耳机输出音频信号进行放大,使我们能听到电脑发出的声音。
设计思路
小音响需要供电,小音响是给电脑用的,而电脑最容易获得的电源是USB供电小音响是放在电脑旁边的,功率不需要很大,且内部空间大小限制,所以使用集成芯片设计
现在设计思路已经有了,接下来就是具体实现了。
首先,我们使用的方案是集成芯片,而且电路也是围绕集成芯片设计的。所以,我们先选择一款音频放大芯片,而作者手头上正好有一些LM386小功率音频放大芯片。

LM386音频放大芯片
但是,这款芯片是否适合我们此次设计呢?而且如何设计呢?
关于如何围绕一款芯片去设计电路,我们最应该参考的是这款芯片的数据手册(获得数据手册最容易的方法是问百度),现在我们已经获得了一份数据手册了,我们打开它看一下吧!
首先一款芯片是否适合使用,最重要的是芯片的使用电压范围,从数据手册关于芯片电气参数的部分里面,我们可以看到作者使用的LM386(后缀为N)电压范围为4V——12V,所以是符合设计要求的

数据手册关于电气参数的部分
接着往下翻数据手册,我们可以找到这款芯片的参考电路。从参考电路中,我们可以看到电路时候耳机负载4Ω到32Ω,所以直接根据此电路设计完全没有问题

数据手册提供的参考电路
接下来就是使用电路设计软件画出完整的电路即可,下图是作者画好的电路图,因为有左右声道,所以需要两个放大电路。接下来会一部分一部分介绍电路图各处的作用以及为什么要选用这个器件

整体电路图
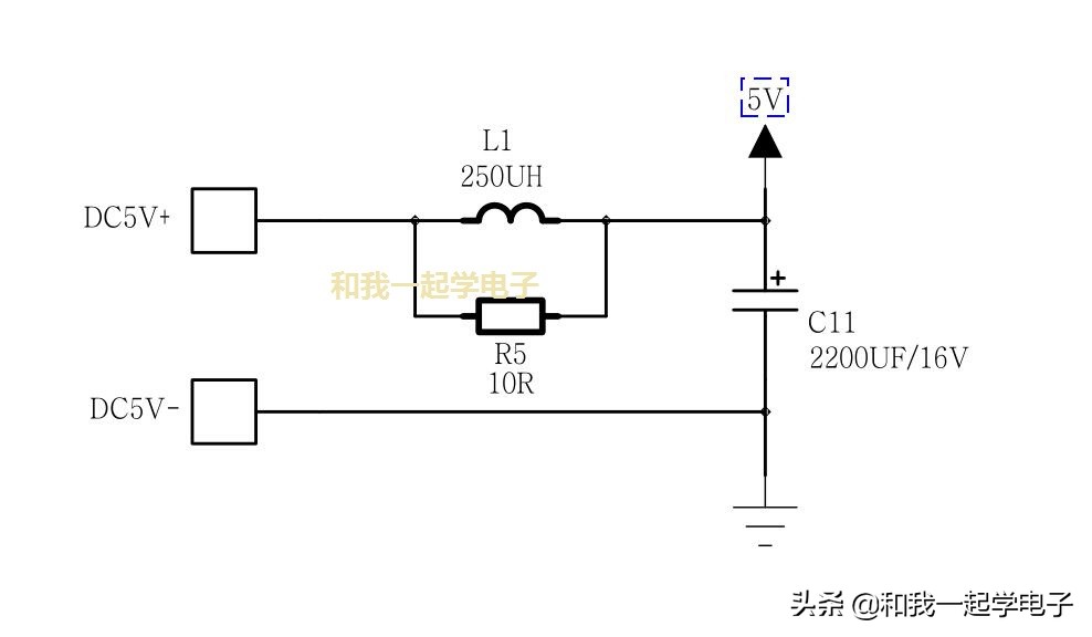
电源部分-DC5V+和DC5V-是两个焊盘,通过USB线获取5V,然后经过一个电感L1以及电阻R5和电容C11滤波(虽然是直流,但为了后续电路需要瞬间大电流还是需要电容储能)后产生一个稳定的5V电源给后续电路供电,一般直流电源供电都需要加防反接电路,但是在这里使用的是USB接口,USB接口具有防呆作用,所以不需要防反接电路

电源部分
放大部分-参考数据手册设计,C12为输入耦合电容,起隔直通交作用;VR1为双联可调电阻(电位器),实现左右通道的音量大小同时调整作用;R1和C1为放大倍数设定作用,经作者实测,无需连接即可到达较适合的音量,故不接(NC为不接的意思,LM386内部已经确定最小放大倍数为20);C2为旁路电容,为减少底噪和上电对喇叭的冲击;C5为去耦电容,提升芯片抗电源干扰能力;C3为输出耦合电容,耦合放大后的音频信号;

单个通道放大部分
电路已经讲解完毕,接下来就是画PCB板,打样焊接了

打样回来的PCB板

一些电子元器件

焊接完成
焊接完成,接好喇叭,装上外壳,剩下的就是享受美妙音乐了
-
- 对联左右哪个是上联 ,是从左往右贴,还是从右往左贴?
-
2023-12-12 13:35:12
-
- 川贝的功效与作用 治咳嗽, “怀中抱月”形状的川贝为上品
-
2023-12-12 13:33:07
-
- 长尾效应什么意思啊(什么是长尾效应(The Long Tail)?)
-
2023-12-11 23:36:54
-
- 佛跳墙的由来和典故(闽菜“佛跳墙”的传说)
-
2023-12-11 23:34:49
-
- 怎样可以去黑眼圈 你的黑眼圈为什么去不掉?这些知识你必须要了解清楚
-
2023-12-11 23:32:44
-
- 山西喜欢吃的是什么 山西最出名的7款小吃,款式多样,味道独特,你都吃过吗?
-
2023-12-11 23:30:39
-
- 二手车先过户还是先给钱 二手车什么时候给钱
-
2023-12-11 23:28:34
-
- 14楼好不好有什么说法(4楼、14楼、18楼真的不能买吗?老中介说了真相,别道
-
2023-12-11 23:26:30
-
- 治疗咳嗽最有效的方法 不打针、不吃药,2种方法有效缓解咳嗽,今年冬天不难捱
-
2023-12-11 23:24:25
-
- 松子的功效与作用 松子的药用与保健价值
-
2023-12-11 23:22:20
-
- 束腰带真的能瘦腰吗 医生:千万别再被骗了
-
2023-12-11 23:20:15
-
- 什么是肌无力 什么是肌无力,病症和危害都有哪些?
-
2023-12-11 23:18:10
-
- 马住!史上最全安检违禁物大全,别耽误了你的出行!
-
2023-12-11 22:22:31
-
- 适合25-45岁胖女人穿的大码连衣裙,从XL到5XL码都有
-
2023-12-11 22:20:25
-
- 情感:如何通过高段位调情技巧,让男人欲罢不能?
-
2023-12-11 22:18:19
-
- 浩瀚苍穹,我们是独一无二的吗?我们孤独吗?
-
2023-12-11 22:16:13
-
- 外号小赵强,人气最高的草根篮球选手,你一定知道他!
-
2023-12-11 22:14:07
-
- 盗墓用的铲子为什么被称为“洛阳铲”
-
2023-12-11 22:11:59
-
- 90后白手起家第一人,大专学历,29岁狂赚45亿,他做对了什么?
-
2023-12-11 22:09:53
-
- CSGO:大家都爱“Rush B”—P90枪械数据分析与使用技巧
-
2023-12-11 22:07:47



刘惜君到底和谁结婚了 她跟毛不易发生啥了
十大同性恋网站-同性恋网站有哪些-同性恋网站排行榜