钣金折弯方法汇总值得收藏学习(总结的各种钣金折弯展开计算公式真是太全了)
钣金折弯方法汇总值得收藏学习(总结的各种钣金折弯展开计算公式真是太全了)
1.折弯一刀展开图例和计算公式

A、B--工件弯边长度
P'一弯边折弯系数(折弯系数:弯一刀城一个系数)
R--弯边圆角(一般为板厚)
T-—材料
厚度展开长度L=A B-P’即L=25 65-5.5=84.5
按表1板厚为3下模为V25折弯系数为5.5注:
按表1,选用下模不同折弯系数不同,板厚不同折弯系数不同。
2.折弯二刀展开图例和计算公式

A(A1)、B--工件弯边长度
P'——弯边折弯系数(折弯系数:弯一刀减一个系数)
R--弯边圆角(一般为板厚)
T--材料厚度展开长度L=A T B-2xP’即L=50 2 50-2×3.4=95.6
按表1板厚为2下模为V12折弯系数为3.4注:
按表1,选用下模不同折弯系数不同,板厚不同折弯系数不同
3.折弯三刀展开图例和计算公式

A(A1)、B(B1)-一工件弯边长度
P'——折弯系数(弯一刀减一个系数)
R--弯边圆角(一般为板厚)
T—-材料厚度展开长度
L=A T B T-3xP’即L=50 2 90 2-3×3.4=133.8
按表1板厚为2下模为V12折弯系数为3.4注:
按表1,选用下模不同折弯系数不同,板厚不同折弯系数不同
4.折弯四刀展开图例和计算公式

A(A1)、B(B1)-一工件弯边长度
P'——折弯系数(弯一刀减一个系数)
R--弯边圆角(一般为板厚)
T—-材料厚度展开长度
L=A T B T-3xP’即L=50 2 90 2-3×3.4=133.8
按表1板厚为2下模为V12折弯系数为3.4注:
按表1,选用下模不同折弯系数不同,板厚不同折弯系数不同
4.折弯四刀展开图例和计算公式

A、B(B1)—一工件弯边长度
P’—-弯边折弯系数(折弯系数:弯一刀减一个系数)
R--弯边圆角(一般为板厚)
T-—材料厚度
展开长度L=A A B T T-4xP’即L=25 25 100 1.5 1.5-4×2.8=141.8
按表板厚为1.5下模为V12折弯系数为2.8注:
按表1,选用下模不同折弯系数不同,板厚不同折弯系数不同
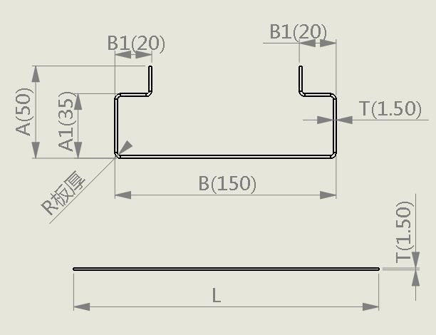
5.折弯六刀展开图例和计算公式

A(A1)、B(B1)一工件弯边长度
P'—弯边折弯系数(折弯系数:弯一刀减一个系数)
R--弯边园角(一般为板厚)
T一材料厚度
L=A T A T B B1 B1-6xP’即
L=50 1.5 50 1.5 150 20 20-6×2.8=276.2
按表1板厚为1.5下模为V12折弯系数为2.8注:
按表1,选用下模不同折弯系数不同,板厚不同折弯系数不同。
6.折弯180°展开图例和计算公式

A、B-一工件弯边长度
P'——打平圆角折弯系数
R--弯边圆角(一般为板厚)
T-—材料厚度展开长度L=A B-P’即L=25 65-1=89
按表2:板厚为2下模为V12折弯系数为板厚一半注:
按表2:选用下模不同折弯系数不同,板厚不同折弯系数不同
7.双层折弯展开图例和计算公式


A、B--工件弯边长度
P1-一内弯角折弯系数
P2-一外弯角
折弯系数R--弯边园角(一般为板厚)
T-—材料厚度
晨开长度:L1=(A-1.5) (B-1.5)-P1即L1=(65-1.5) (25-1.5)-3.2=83.8
L2=A B-P2即L2=65 25-4.1=85.9
L=L1 L2-T/2即L=83.8 85.9-0.75=168.95
按表2:板厚为1.5下模为V12内角折弯系数为3.2外角折弯系数为4.1180折弯系数为0.75注:
按表2,选用下模不同折弯系数不同,板厚不同折弯系数不同;
8.双层折弯展开图例和计算公式


A(A1)、B1B2--工件弯边长度
P1-—内弯角折弯系数
P2-—外弯角折弯系数
P3--90折弯系数
R--弯边园角《一般为板厚)
T-—材料厚度
P4--180'折弯系数
展开关度:L1=A B1-P2即L1=75 29-4.6=99.4
L2=(A1-T) (B1-T)-P1
即L2=(37-2) (29-2)-3.7=58.7
L3=L1 L2-P3WL3=99.4 58.3-1=156.7
L=25.5 L3-P1即L=25.5 156.7-3.84=178.36
按表2:板厚为2下模为V12内角折弯系数为3.7外角折弯系教为4.6180折弯系数;注:
按表2,选用下模不同折弯系数不同,板厚不同折夸系数不同;
9.双层折弯展开图例和计算公式



A、A1、A2、B1、B2、L,L1、L2、L3--工件弯边长度
P1--内角折弯系数
R--弯边圆角(一般为板厚)
T-—材料厚度
P2-一外角折弯系数
展开长度:L1=(A1-T) (B2-T)-P1即L1=(35-2) (34-2)-3.7=61.3
L2=(B1-T) (A2-T)-P1即L2=(50-2) (34-2)-3.7=76.3
L3=A B1 B2-2xP2即L3=70 35 50-2×4.6=145.8
L=L1 L2 L3-2XP3即L=61.3 75.3 145.8-2x1=281.4
按表2:板厚为2下模为V12内角折弯系数为3.7外角折弯系数为4.6180“折弯系数为1注:
按表2:选用下模不同折弯系数不同,板厚不同折弯系数不同;
10特殊角度折弯展开图例和计算公式

A(A1)、B(B1)--工件弯边长度
P'——折弯角折弯系数(随角度变化且变化)
R--弯边圆角(一般为板厚)
T--材料厚度
展开长度:L=(A-T) (B-T)-P′=A1 B1-P”即L=(66-1) (26-1)-2=65 25-2=88
按表3:板厚为2下模为V1260折弯系数为2注:
按表3,选用中性层做为折弯长度和宽度;
11 压台阶展开图例和计算公式

A、B-—工件弯边长度
R--弯边圆角(一般为板厚)
T-—材料厚度展开长度:L=A 1注:
当台阶等于二个板厚,每压一个台阶加0.5,压二个台阶加1
附表



关注 钣金学习 学习更多钣金知识!
,
-
- 三星beam2值得买吗(投你所好三星Galaxy)
-
2023-08-21 09:07:16
-
- 黑莓z30上市时间(真正的情怀和经典)
-
2023-08-21 09:05:11
-
- 宗人府,小燕子为什么被关宗人府?
-
2023-08-20 22:04:46
-
- 常在和答应,20 古代宫里像贵人啊嫔啊华妃啊,常在啊,答应啊,德妃啊什么的都
-
2023-08-20 22:02:40
-
- 少数民族的传统节日有哪些,少数民族的传统节日和风俗有哪些?
-
2023-08-20 22:00:33
-
- 五大自治区有哪些,五个自治区是哪几个
-
2023-08-20 21:58:27
-
- 南方属于哪个五行,《西游记》唐僧沙僧八戒悟空白龙马,怎样来对应五味以及五
-
2023-08-20 21:56:20
-
- 燕窝功效作用与主治,燕窝对孕妇的好处的功效与作用
-
2023-08-20 21:54:14
-
- 钢铁是怎样炼成的章节概括,《钢铁是怎样炼成的》章节内容概括
-
2023-08-20 21:52:07
-
- 火锅菜怎么做,火锅配菜怎么做好吃
-
2023-08-20 21:50:00
-
- 龙井茶的冲泡方法,龙井茶怎么泡
-
2023-08-20 21:47:54
-
- 教师节祝福语短信大全,2021教师节祝福语一年一度的开学典礼?
-
2023-08-20 21:45:47
-
- 如何做好年度优秀员工评选,公司评选优秀员工如何发言
-
2023-08-20 18:20:58
-
- my boo原唱是谁,易烊千玺新歌my boo什么意思
-
2023-08-20 18:18:53
-
- 重阳节必吃的9种食物,九月九重阳节吃什么食物
-
2023-08-20 18:16:48
-
- 激光的用途,为什么说激光是奇异的光?你还知道激光存哪些用途?
-
2023-08-20 18:14:43
-
- 光年是什么的单位,光年是时间单位还是距离单位?
-
2023-08-20 18:12:39
-
- 梓菱名字寓意,梓烨名字的含义是什么
-
2023-08-20 18:10:34
-
- 哈尔滨特色小吃,哈尔滨特色美食小吃有哪些
-
2023-08-20 18:08:29
-
- 父亲节快乐说说朋友圈,父亲节适合发朋友圈的句子和图片
-
2023-08-20 18:06:24



刘惜君到底和谁结婚了 她跟毛不易发生啥了
十大同性恋网站-同性恋网站有哪些-同性恋网站排行榜