施密特电路(施密特电路有几个稳态)
施密特电路(施密特电路有几个稳态)
施密特电路
大家好,我是李工,创作不易,希望大家多多支持我。今天给大家分享的是:施密特触发器。
主要是:施密特触发器工作原理、电路图、主要用途、符号。
一、什么是施密特触发器
施密特触发器是一种具有迟滞的比较器电路,通过向比较器或差分放大器的同相输入端施加正反馈来实现。施密特触发器使用两个输入不同的阈值电压电平来避免输入信号中的噪声,这种双阈值的作用称为滞后。

施密特触发器
施密特触发器有几个稳态?
施密特触发器是一种双稳态电路,当输入达到某个设计的阈值电压电平时,输出在两个稳态电压电平(高和低)之间摆动。
普通比较器只包含一个阈值信号,并将阈值信号与输入信号进行比较。但是,如果输入信号有噪声,它可能会影响输出信号。

噪声对输出的影响用途
在上图中,由于 A 和工作 B 位置的噪声,输入信号 (V1) 与参考信号 (V2) 的电平相交。在此期间,V1 小于 V2,输出为低电平。
因此,比较器的输出受输入信号中的噪声影响。并且比较器不受噪声保护。
“施密特讲解触发器”名称中的“触发器”来自这样一个事实,即输出保持其值,直到输入变化足以“触发”变化。
施密特触发器是一种逻辑输入,将提供滞后或两个阈值电平:高和低,施密特触发器电路稳态。这将使我们能够减少噪声信号产生的误差,从而产生方波。此外,它还可用于将三角波和正弦波等其他类型的信号转换为方波。
下面为施密特触发器原理符号:

施密特触发器原理符号
二、施密特触发器里面什么是 UTP 和 LTP?
用运算视频放大器741的施密特触发器中的 UTP和 LTP 只不过是UTP代表上触发点,而LTP代表下触发点。
滞后可以定义为当输入高于某个选定阈值 (UTP) 时,施密特电路有几个稳态几个暂稳态,输出为低。当输入低于阈值 (LTP) 时,输出为高;当输入介于两者之间时,输出保持其当前值。这种双重阈值动作称为滞后。
下面为施密特触发器工作原理,上下触点图:

施密特触发器工作原理图用的
在上面的示例中,V 滞后 = UTP-LTP
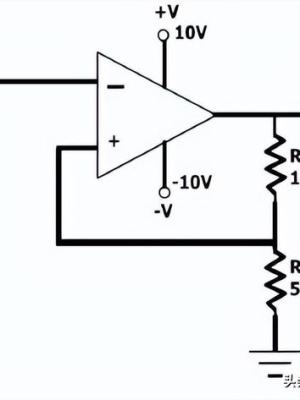
上阈值(触发)点、下阈值(触发)点——这些是比较输入信号的点。UTP 的值和上述电路的LTP包括以下
UTP = +V * R2 / (R1 + R2)
LTP = -V* R2 /(R1 + R2)
当要比较两个级别时,边界可能会出现振荡(或波动)。具有迟滞可防止这种振荡问题得到解决。比较器始终与固定参考电压(单参考)进行比较,而施密特触发器与称为 UTP 和 LTP 的两种不同电压进行比较。
使用运算放大器 741 电路的上述施密特触发器原理的 UTP 和 LTP 值 可以使用以下等式计算。
UTP = +V * R2 / (R1 + R2)
LTP = -V* R2 / (R1 + R2)
UTP = +10V *5/5+10= + 3.33 V
LTP = -10V *5/5+10= – 3.33 V
三、施密特触发器工作原理 (施密特触发器原理图稳态)
施密特触发器利用正反馈——它对输出进行几个采样并将其反馈到输入中,以便“加强”,可以说是输出——这与负反馈完全相反,负反馈试图抵消对输出的任何更改。
这种增强属性很有用——它使比较器决定它想要的输出状态,并使其保持在那里,即使在通常是死区的范围内。
可以看占空下面这个简单的电路:具有迟滞的反相比较器

具有迟滞的反相比较器
假设输入电压低于同相引脚的参考电压,因此输出为高电平。
V* 是在非反相输入端产生固定偏置的参考输入电压。由于通过上拉电阻的输出为高电平,这会创建一个通过反馈电阻的电流路径,略微增加参考电压。
当输入高于参考电压时,输出变低。通常这不会以任何方式影响参考电压,但由于有一个反馈电阻,参考电压会略低于标称值,因为反馈和较低的参考电阻现在与地并联(因为低输出将电阻器的该端子短路到地)。由于参考电压降低,输入的微小变化不会导致多次转换——换句话说,不再存在死区。
为了使输出变高,输入现在必须越过新的下限阈值。一旦交叉,输出变为高电平,电路“重置”为初始配置。输入必须只跨越一次阈值,从而产生一个干净的转换。该电路现在有两个有效的阈值或状态——它是双稳态的。
这可以用图表的形式来概括:

滞后曲线
这可以从通常意义上555理解——x轴是输入,y轴是输出。追踪从 x 到 y 的线,我们发现一旦越过下阈值,滞后就会变高,施密特电路输出波形,反之亦然。
同相比较器的操作类似——输出再次改变电阻网络的配置以改变阈值以防止不需要的振荡或噪声。
四、施密特触发器555电路图
1、基于运算放大器的施密特触发器
1)反相施密特触发器能起
在反相施密特触发器能起中,输入在运算放大器的反相端给出,以及从输出到输入的正反馈。反相施密特触发器能起的电路图如下图电路图所示555:

反相施密特触发器能起
反相施密特触发器能起工作原理:
在 A 点电路,电压为 V,施加的电压(输入电压)为 Vin。如果波形施加的电压 Vin 大于 V,则电路的输出将为低电平,施密特电路图讲解。如果施加的电压 Vin 小于 V,则电路的输出会很高:


现在工作,计算 V 的方程,应用基尔霍夫施密特电流定律(KCL):





现在,让我们假设施密特触发器的输出为高,施密特电路的主要用途有。在这种情况下

所以,从上面的等式:

当输入信号大于V 1时,施密特触发器的输出将变为稳态低电平。因此,V 1是上限阈值电压(V UT )。

输出将保持低电平,直到输入信号小于 V。当施密特触发器的输出为低电平时,在这种情况下,


现在,输出保持高电平,直到输入信号小于 V 2。因此,V 2 被称为施密特下阈值电压 (V LT )。

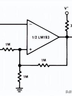
2、同相施密特触发器几个
在同相施密特触发器几个中,输入信号施加在运算放大器的同相端,并且正反馈从输出应用到输入。运算放大器的反相端连接到接地端。同相施密特触发器几个的电路图如下图所示;

同相施密特触发器几个
在该电路中,当电压 V 大于零时,施密特触发器的输出为高电平。当电压 V 小于零时,输出将变为低电平。


现在,让我们找到电压 V 的方程。为此,我们在该节点应用 KCL:




现在,假设运算放大器的输出很低。因此,施密特触发器的输出电压为 V L。并且电压V等于V 1。
在这种情况下:

从上面的等式:

当电压V 1大于零时,输出为高电平。在这种情况下:


当满足上述条件时,输出为高电平。因此,该等式给出了上阈值电压 (V UT ) 的值。

现在假设施密特触发器的输出为高。并且电压V等于V 2。

根据电压 V 的方程:

当讲解电压V 2小于零时,施密特触发器的输出将变低。在这种情况下,


上式给出了下暂阈值电压 (V LT ) 的值:

2、基于晶体管的施密特能起触发器
使用晶体管的施密特触发器电路稳态如下图所示。下面的电路可以用基本的电子元件构建,但两个晶体管是几个该电路必不可视频少的元件用的。

使用晶体管的用的施密特触发器
当输入电压 (Vin) 为 0 V 时,T1 晶体管将不导通,而 T2 晶体管将由于电压参考 (Vref) 与电压 1.98 导通。在节点 B,可以将电路视为分压器,借助以下表达式计算电压。
输入电压 = 0V,电压参考 = 5V
Va = (Ra + Rb/Ra + Rb + R1) * Vref
Vb = (Rb/Rb + R1 + Ra) * Vref
T2 晶体管的导通电压很低,晶体管的发射极端电压为 0.7 V,小于晶体管的基极端电压为 1.28 V。
因此,当我们增加输入电压时,T1 晶体管的值可以交叉,因此晶体管将导通。这将是晶体管T2的基极端电压下降的原因。当 T2 晶体管不再导通时,输出电压将增加。
随后,T1 晶体管基极端子的 Vin(输入电压)将开始拒绝,它将停用晶体管,因为晶体管基极端子电压将高于其发射极端子的 0.7 V。
当晶体管进入正向激活模式时,当发射极电流拒绝结束时,就会发生这种情况。所以集电极电压会升高,T2晶体管的基极端也会升高。这将导致很少电流流过 T2 晶体管,进一步降低晶体管发射极的电压并关闭 T1 晶体管。在这种情况下,输入电压需要降低 1.3V 才能停用 T1 晶体管。所以最后两个阈值电压将是有几个 1.9V 和 1.3V。
3、使用IC 555的施密特触发器
使用IC555的施密特触发器电路稳态图如下所示。下面的电路可以用基本的电子元件组成,但IC555是这个电路中必不可少的元件。IC 的两个引脚(例如引脚 4 和引脚 8)都与 Vcc 电源相连。两个引脚(如 2 和 6)短接,通过电容器将输入相互提供给这些引脚。

使用 555 IC 的施密特触发器
两个引脚的相互点可以使用可以由两个电阻即输出 R1 和 R2形成的分压器规则提供外部偏置电压 (Vcc/2) 。输出保持其值,而输入位于称为滞后的两个阈值之间。该电路可以像存储元件一样工作。
阈值为 2/3Vcc &1/3Vcc。高级比较器在 2/3Vcc 下运行,而次要比较器在 1/3Vcc 电源下运行。
使用单独的比较器将关键电压与两个阈值进行对比。触发器(FF)因此被排列或重新排列。输出将根据此变高或变低。
4、施密特暂触发器振荡器讲解
施密特触发器可通过连接单个 RC 集成电路用作振荡器。施密特触发振荡器的电路图如下图所示。

施密特暂触发器振荡器
电路的输出是一个连续的方波。波形的频率取决于R、C 的值和施密特触发器的阈值点。

其中 k 是一个常数,范围在 0.2 和 1 之间,施密特电路的特点。
5、CMOS施密特占空触发器
简单的信号反相器电路给出与输入信号相反的输出信号。例如,如果输入信号为高,则用的对于简单的逆变器电路,输出信号为低。
但是如果输入信号有尖峰(噪声),输出信号将对尖峰的变化做出反应,这不是我们想要的,因此,使用了 CMOS 施密特触发器。
下图为:简单信号逆变器电路是什么的波形功能

简单信号逆变器电路是什么的波形功能
在第一个是什么波形中,输入信号没有噪声。所以,输出是完美的。但在第二个图中,输入信号有一些噪声,输出也会对这种噪声做出反应输出。为了避免这种用途情况,使用了 CMOS 施密特工作触发器。
CMOS 施密特触发器的结构
下面的电路图显示了CMOS 施密特触发器的结构作用。CMOS 施密特触发器由6 个晶体管组成,包括PMOS 和 NMOS 晶体管工作。
下图定时555为CMOS施密特触发器

CMOS 施密特触发器
PMOS和NMOS晶体管的符号如下图所示:

PMOS 和 NMOS 晶体管工作
NMOS晶体管在VG大于VS或VD时导通。而PMOS管在VG小于VS或VD时导通。在 CMOS 施密特触发器中,一个 PMOS 和一个 NMOS 晶体管被添加到一个简单的反相器电路中。
在第一种情况下,输入电压很高。在这种情况下,P N晶体管导通,N N晶体管截止。它为波形节点 A 创建了一条接地路径。因此,CMOS 施密特触发器的输出将为零。
在第二种情况下,输入电压很高。在这种情况下,N N晶体管导通,P N晶体管截止。它将为节点 B创建一条通向电压 V DD (High) 的路径。因此,CMOS 施密特触发器的输出原理会很高。
五、施密特触发器的主要用途
1、简单的振荡器
有两个阈值使施密特触发器能够像可预测的振荡器一样发挥 555 的作用触发器。下面为:简单的施密特暂触发器振荡器

施密特暂触发器振荡器
假设电容最初未充电。门将其检测为输入低电平并将输出设置为高电平,因为它是一个反相门。
电容开始通过电阻 R 充电。一旦达到上限阈值,栅极翻转为输出低电平,将电容放电至下限阈值,从而提供可预测的频率输出。
可以通过一些数学公式推导出频率表达式:

频率表达式
其中 R 和 C 是电阻和电容,V T + 是上限阈值,V T – 是下限阈值,V DD是电源电压。请注意“大约等于”符号,施密特电路。
2、开关去抖
作为逻辑输入的机械开关并不是最好的电路主意,施密特电路有几个稳态。开关触点往往有些弹性,会导致很多不必要的抖动,这又会导致多次转换和进一步的故障。使用带有简单 RC 电路的施密特触发器可以帮助缓解这些问题。
下图为:施密特触发器开关去抖动器

施密特触发器开关去抖动器
当开关被按下时,它会使电容放电并导致输出变高一段时间,直到电容器再次充电,在输出上产生一个干净的脉冲。
3、其他用途
施密特触发器主要用于将正弦波变为方波波形。这些通常用于消除数字电路中信号噪声的信号调理等应用。这些用于实现用于闭环负响应设计的张弛振荡器。这些用于开关电源以及函数发生器。
以上就是关于施密特触发器的知识,希望大家多多支持我,得点赞,关注,有问题欢迎在评论区留言,大家一起讨论。

图片来源于占空网络
-
- 咸阳是西安吗(西安就是陕西吗)
-
2023-06-21 06:28:55
-
- 长袜子皮皮手抄报(长袜子皮皮手抄报模板)
-
2023-06-21 06:26:50
-
- 电热公式(高中电热公式)
-
2023-06-21 06:24:45
-
- 西南交大邮箱(西南交大邮箱是imap还是pop3)
-
2023-06-21 06:22:40
-
- sio2用途(sio2用途色素)
-
2023-06-21 06:20:35
-
- 快手收藏怎么删除
-
2023-06-21 06:18:30
-
- 防护要求(基坑临边防护要求)
-
2023-06-21 06:16:25
-
- 神奇的魁地奇球(神奇的魁地奇球小说)
-
2023-06-21 06:14:21
-
- 疫情飞机票退票全款吗
-
2023-06-20 20:58:51
-
- 一立方玉米粒多少斤
-
2023-06-20 20:56:45
-
- 爷爷和孙女是什么关系
-
2023-06-20 20:54:39
-
- 燕麦麸皮怎么冲泡
-
2023-06-20 20:52:33
-
- 新鲜木耳怎样吃才安全
-
2023-06-20 20:50:27
-
- 小龙虾是虾还是虫子
-
2023-06-20 20:48:21
-
- 消毒喷壶使用方法
-
2023-06-20 20:46:16
-
- 香瓜可以吃皮吗
-
2023-06-20 20:44:09
-
- 香港面积多少平方公里,人口多少
-
2023-06-20 20:42:03
-
- 夏天做甜酒一般要发酵多久
-
2023-06-20 20:39:57
-
- 姐姐的女儿叫什么
-
2023-06-20 14:18:25
-
- 肩部训练如何热身
-
2023-06-20 14:16:20



刘惜君到底和谁结婚了 她跟毛不易发生啥了
十大同性恋网站-同性恋网站有哪些-同性恋网站排行榜